Key Project Details
- Project Name: Amcor - Project Tyger
- Year: 2021
- Project Location: Haridwar, Uttrakhand
- Project Owner: AMCOR Flexibles India Pvt. Ltd.
- Customer: AMCOR Flexibles India Pvt. Ltd.
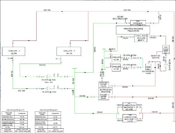
- Scope: MEP Design, Fire fighting System Design, HVAC Design, Thermic Fluid System Design, Cooling / Chilled Water System Design and Electrical Design
Core Competencies: MEP Design, Fire fighting System Design, HVAC Design, Thermic Fluid System Design, Cooling / Chilled Water System Design, Electrical Design,Flexible Packaging











