Skip to content
Home
About Us
Services
Project Management Services
Project Design Services
Architectural Design Services
Civil & Structural Design
Mechanical Design Services
Mechanical Utility Design
HVAC Design
Firefighting Design
Piping Stress Analysis
Computation Fluid Dynamics
Electrical Design Services
HT/LT Power Distribution
Earthing & Lightning Protection
Illumination Design
Power System Studies
MEP Services
BIM Modelling
Turnkey Interior Works
Project Management Software (WINGSTAR)
Projects
Career
Contact Us
Projects category
Mechanical Design
Damati Plastics Manufacturing facility
Mechanical Design
MEP Design
Ongoing Projects
Piping Stress Analysis & Support Design for Project PIONEER of Micron Semiconductors
Civil & Structural
Completed Projects
Mechanical Design
MEP Design
Project Design
Fire fighting System design for Pharma Plant
Completed Projects
Mechanical Design
MEP Design
Fire Fighting Design for Glennmark plant
Completed Projects
Mechanical Design
MEP Design
Fire Fighting System Design Chemical Plant
Completed Projects
Mechanical Design
MEP Design
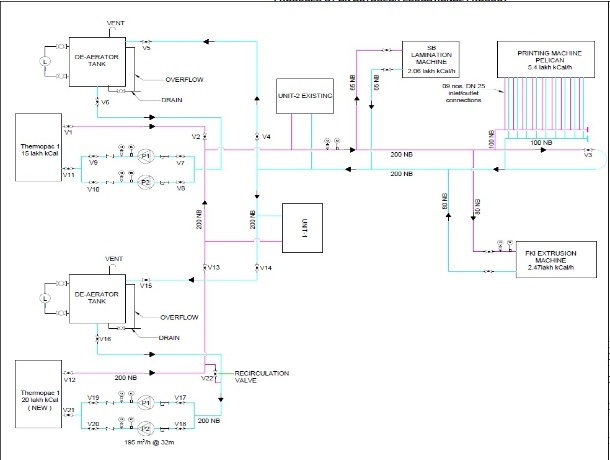
Factory Expansion Project – Utility Piping Design
Completed Projects
Mechanical Design
MEP Design
Project Design
Amcor Factory expansion Project – MEP Design and PMC
Mechanical Design
MEP Design
Project Design
Factory Expansion Project – Utility Piping design
Mechanical Design
MEP Design
Project Design
Factory Expansion Project – Redesign of Chilled Water System
Mechanical Design
MEP Design
Project Design
Factory Expansion Project – Utility Piping Design
Mechanical Design
MEP Design
Project Design
Go to Top
Home
About Us
Services
Project Management Services
Project Design Services
Architectural Design Services
Civil & Structural Design
Mechanical Design Services
Mechanical Utility Design
HVAC Design
Firefighting Design
Piping Stress Analysis
Computation Fluid Dynamics
Electrical Design Services
HT/LT Power Distribution
Earthing & Lightning Protection
Illumination Design
Power System Studies
MEP Services
BIM Modelling
Turnkey Interior Works
Project Management Software (WINGSTAR)
Projects
Career
Contact Us
Request for quote
Book a phone consultation!
Got questions? Ideas? Fill out the form below & our specialist will contact you.
Your Name
Phone Number
Desired Date
Desired Time
Request a call-back